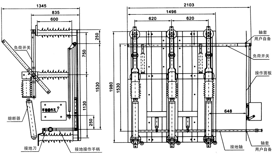
机体在户外环境下的正常运行,零部件采用不锈钢材料,保证了负荷开关的耐用性,稳定性和防水,防盐雾等性能。该力大,安全可靠、电寿命长、可频繁操作、少维护、继口明显等极其显著的特点。操作方式采用单杆式手动操作,也可采用电动、远控操作。">
 电话:
							电话:
							0512-68139771
 手机:
							手机:
							18962118288
 邮箱:
							邮箱:
							leirvo@163.com
 地址:
							地址:
							苏州高新区昆仑山路189号



